product
GRH has GDV series monoblock valve with a flow range of 25-170L/min. It provides various spool functions for controlling the spools of double-acting cylinders, single-acting cylinders, and hydraulic motors.
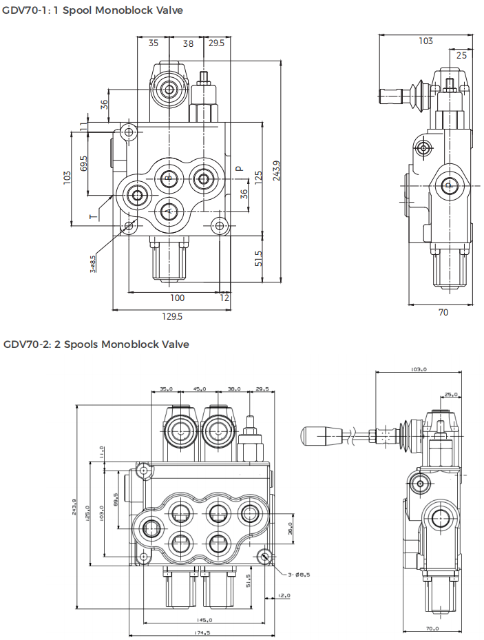
Cast iron monoblock body.
Spring cap and mechanical detent cap are made in die cast aluminum.
Parallel circuit. Inlet passage has a load check valve.
Provides manual control and wire pulling control modules.
Provides power beyond options.
Provides mechanical detent.
Provides different spool functions to satisfy the needs for customers to control double and single cylinders, as well as to control hydraulic motors.
Provide excellent flow characteristics and small operating force.
Provides 6 different assemblies from 1 spool to 6 spools.
| Rated flow rate | 70L/min | With NBR(BUNA–N)seals | -20C° – 80C° |
| Maximum flow rate | 80L/min | With FPM(VITON)seals | -20C° – 100C° |
| Maximum pressure at P port | 310bar | Spool stroke(1、2 position) | +7/-7mm |
| Maximum pressure at A、B port | 310bar | With floating function(1、2、F position) | +7/-7-9mm |
| Maximum pressure at T port | 25bar | Recommend hydraulic oil viscosity range | 15-75mm^2/s |
| Internal leakage(@70bar) | 30- 35cc/min | Recommend temperature range | -40C° – 60C° |




GRH GDV70 Series Monoblock Valves are widely used in loader, forklift and harvester.


