product
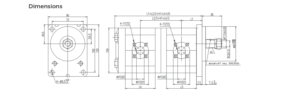
2ADPF gear pump : the displacement ranges from 4-30cc/r.
| Displacement(ml/r) | 4 | 6 | 8 | 10 | 12 | 14 | 16 | 18 | 20 | 23 | 28 | 30 |
| L3/L4 | 50.5 | 54.0 | 570 | 60.0 | 63.0 | 66.0 | 69.0 | 72.5 | 76.0 | 80.5 | 88.0 | 91.0 |
| L | 96 | 98 | 102 | 104 | 108 | 110 | 114 | 117 | 120 | 123 | 133 | 136 |
| L1 | 43.3 | 450 | 46.5 | 48.0 | 50.0 | 51.0 | 53.0 | 55.0 | 56.0 | 58.0 | 63.0 | 64.0 |

GRH 2ADPF gear pumps are widely used in forklift, harvester, tractor, aerial work platform and road roller.


